
仪表接头接法图解


一:管接头的结构
标准的管接头由螺帽、卡环(有的只有一个卡环)、接头、以及管子组成。

标准的管接头安装好的形状如图

管接头的密封的原理:是通过螺帽的紧固,使卡环压迫管子变形,形成密封。

二:快速接头安装及拆卸步骤
安装步骤
1、在有螺纹的快速接头处用生料带缠绕适量厚度;
2、用合适的力量拧紧快速接头;
3、将要插入的管子顶端用切刀垂直切平;
4、将切好的管子顶端插入快速接头,用力插到底;
5、验证管子是否连接牢固,用适当的力量拔一下管子,管子拔不出即可。
拆卸步骤
1、首先检查通过接头管路的介质是否隔断;
2、一手用食指和拇指将夹头向快速接头处按住的同时,另一只手将管子拔出。
三:新管接头的安装
步骤一:将管子插入接头中,确认低到螺帽的低端

步骤二:用手将螺帽旋紧,并在一位置上做好记号(见6点处)

步骤三:用扳手将螺帽顺时针旋转1又1/4圈,见记号在9点处

四:新管接头的安装的注意事项
对于1英寸(25mm)及以下管径,用手旋紧后再用扳手旋转1 ¼圈即可。对于1/16、1/8和3/16英寸(2、3、4mm)管径,只需用扳手旋转3/4圈即可。对于1 ¼、1 ½、2英寸和28、30、32、38mm管径的接头安装,则需要专业工具,因在现场使用很少。
图示中可以看出管子的变化

五:管接头的再安装
对于已经上紧过的管接头,在拆下前请做好螺帽与接头之间位置的记号,在重新安装时,首先用手将螺帽上紧,再用扳手将螺帽上到原来的位置即可。对于重复拆装多次的管接头,可以在螺帽上到原位置后,再旋转10°~ 20°(不超过六角螺帽一面的1/3,即不超过B处) 。

生产厂家提供专用工具,可以用来检查管接头是否上紧,不同的管径有不同的标准

过这种工具可以辨别管接头是否上紧,请注意:它只适用1英寸(25mm)及以下的金属管接头
选择管子时注意事项:要注意管子的壁厚在规定的范围内(见下表),因为管壁太厚,卡环不起作用,管壁太薄,会引起管子变形开裂

六:管接头的密封
管接头的密封有以下两种方式
1.生料带的密封:
注意以下几点:
-
上生料带前要对接头螺纹进行清洁
-
上生料带的方向为顺时针
-
生料带不能超出接头螺纹端部
-
生料带剪断后,要紧贴螺纹

2.密封胶的密封
注意以下几点:
-
上密封胶前要对接头螺纹进行清洁
-
用密封胶将螺纹的第二和第三圈涂上。(360°)

七:管接头的材质
不锈钢:SS
黄铜:B
碳钢:S
铝:A
尼龙:NL
全氟烷氧基: PFA
TFE: T
注意事项:
因为金属管的硬度要比管接头的材料软,所以不锈钢管不能使用铜接头;
如果管子与管接头是同质材料,金属管需进行退火处理(一般金属材料,如不锈钢、铜、钛、碳钢、合金等已进行了退火处理)
非常软的管子(如Tygon 聚乙烯)或非塑料的PVC管,安装时要加衬垫,并注意密封。
八:管接头的类型
名称的标注举例:
1/4管:表示1/4英寸OD的管
管1/4:表示连接1/4英寸OD管的接头
8mm管:表示8mm OD的管
管8mm:表示连接8mm OD管的接头
英制的主要有:1/4、3/8、1/2几种尺寸
公制的主要有:6、8、10、12mm几种尺寸

阳:表示阳接头(公接头)
阴:表示阴接头(母接头)
阳锥或阴锥指的是RT螺纹的接头,即ISO 7/1标准,阳平或阴平主要指的是RS、RP或RG螺纹的接头,即ISO 228/1标准
NPT接头不作专门标注,ST接头在大亚湾核电站用量极少,也没有作专门标注
电线接头接法图解
一:单股铜芯导线的直线连接
①先将两导线芯线线头成X形相交。

②互相绞合2~3圈后扳直两线头。

③将每个线头在另一芯线上紧贴并绕6圈,用钢丝钳切去余下的芯线,并钳平芯线末端。

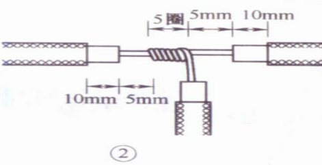
二:单股铜芯导线的T字形连接
①将支路芯线的线头与干线芯线十字相交,在支路芯线根部留出5mm,然后顺时针方向缠绕6~8圈后,用钢丝钳切去余下的芯线,并钳平芯线末端。

②小截面的芯线可以不打结。

三:双股线的对接
将两根双芯线线头剖削成图示中的形式。连接时,将两根待连接的线头中颜色一致的芯线按小截面直线连接方式连接。用相同的方法将另一颜色的芯线连接在一起。

四:7股铜芯线的直线连接方法
①先将剥去绝缘层的芯线头散开并拉直,再把靠近绝缘层1/3线段的芯线绞紧,然后把余下的2/3芯线头按图示分散成伞状,并将每根芯线拉直。

②把两伞骨状线端隔根对叉,必须相对插到底。

③捏平叉入后的两侧所有芯线,并应理直每股芯线和使每股芯线的间隔均匀;同时用钢丝钳钳紧叉口处消除空隙。

④先在一端把邻近两股芯线在距叉口中线约3根单股芯线直径宽度处折起,并形成90°。

⑤接着把这两股芯线按顺时针方向紧缠2圈后,再折回90° 并平卧在折起前的轴线位置上。

⑥接着把处于紧挨平卧前邻近的2根芯线折成90° ,并按步骤⑤ 方法加工。

⑦把余下的3根芯线按步骤⑤ 方法缠绕至第2圈时,把前4根芯线在根部分别切断,并钳平;接着把3根芯线缠足3圈,然后剪去余端,钳平切口不留毛刺

⑧另一侧按步骤④~⑦方法进行加工。

五:7股铜芯线的T字形连接方法
①将分支芯线散开并拉直,再把紧靠绝缘层1/8线段的芯线绞紧,把剩余7/8的芯线分成两组,一组4根,另一组3根,排齐。用旋凿把干线的芯线撬开分为两组,再把支线中4根芯线的一组插入干线芯线中间,而把3根芯线的一组放在干线芯线的前面。
②把3根线芯的一组在干线右边按顺时针方向紧紧缠绕3~4圈,并钳平线端;把4根芯线的一组在干线的左边按逆时针方向缠绕4~5圈。

③钳平线端。

六:不等径铜导线的对接
把细导线线头在粗导线线头上紧密缠绕5~6圈,弯折粗线头端部,使它压在缠绕层上,再把细线头缠绕3~4圈,剪去余端,钳平切口。

七:单股线与多股线的T字分支连接
①在离多股线的左端绝缘层口3~5mm处的芯线上,用螺丝刀把多股芯线分成较均匀的两组(如7股线的芯线3、4分)。

②把单股芯线插入多股芯线的两组芯线中间,但单股芯线不可插到底,应使绝缘层切口离多股芯线约3mm的距离。接着用钢丝钳把多股芯线的插缝钳平钳紧。

③把单股芯线按顺时针方向紧缠在多股芯线上,应使圈圈紧挨密排,绕足10圈;然后切断余端,钳平切口毛刺。

八:软线与单股硬导线的连接
先将软线拧成单股导线,再在单股硬导线上缠绕7~8圈,最后将单股硬导线向后弯曲,以防止绑脱落。

九:铝芯导线用压接管压接
①接线前,先选好合适的压接管,清除线头表面和压接管内壁上的氧化层和污物,涂上中性凡士林.

②将两根线头相对插入并穿出压接管,使两线端各自伸出压接管25~30mm。

③用压接钳压接。

④如果压接钢芯铝绞线,则XX应在两根芯线之间垫上一层铝质垫片。压接钳在压接管上的压坑数目,室内线头通常为4个,室外通常为6个。

十:铝芯导线用沟线夹螺栓压接
连接前,先用钢丝刷除去导线线头和沟线夹线槽内壁上的氧化层和污物,涂上凡士林锌膏粉(或中性凡士林),然后将导线线卡入线槽,旋紧螺栓,使沟线夹紧紧夹住线头而完成连接。为防止螺栓松动,压紧螺栓上应套以弹簧垫圈

一、取源部件的安装
(一)、温度取源部件
1、温度取源部件的安装位置应选在介质温度变化灵敏和具有代表性的地方,不宜选在阀门等阻力部件附近和介质流速成死角处以及振动较大的地方。
2、热电偶取源部件的安装位置,宜远离强磁场。
3、与工艺管理道垂直安装时,取源部件轴线应与工艺管道轴线垂直相交。

4、在工艺管边的拐角处安装时,宜逆着介质流向,取源部件轴线应与工艺管道轴线相重合。
5、与工艺管道倾斜安装时,宜逆着介质流向,取源部件轴线应与工艺管道轴线相交。

(二)、压力取源部件
1、压力取源部件的安装位置应选在介质流速稳定的地方。
2、压力取源部件与温度取源部件在同一管段上时,应安装在温度取源部件的上游侧。

3、测量带有灰尘、固体颗粒或沉淀物等混浊介质的压力时,取源部件应倾斜向上安装。在水平工艺管道上宜顺流束,成锐角安装。

4、当测量温度高于60℃的液体,蒸气和可凝性气体的压力时,取源部件应带有环形或U型冷凝弯。
5、测量气体压力时,取压口在工艺管道的上半部。

6、测量液体压力时,取压口在工艺管道的下半部与工艺管道的水平中心线成0~45度夹角的范围内。

7、测量蒸气压力时,取压口在工艺管道的上半部及下半部与工艺管道水平中心线成0~45度夹角的范围内。

(三)、流量取源部件
1、安装节流件所规定的最小直管段,其内表面应清洁,无凹坑。
2、在节流件的上游侧安装温度计时,温度计与节流件间的直管距离应符合下列规定。
A.当温度计套管直径小于或等于0.03倍工艺管道内径时,不小于5(或3) 倍工艺管道内径。
B.当温度计套管的直径在0.03到0.13倍工艺管道内径之间时,不小于20(或10)倍工艺管道内径。
3、在节流件的下游侧安装温度计时,温度计与节流件间的直管距离不应小于5倍工艺管道内径。
*测量蒸汽流量时,在工艺管道的上半部与工艺管道水平中心线成0~45度夹角的范围内。

测量气体流量时,在工艺管道的上部与工艺管道水平中心垂直。

4、孔板采用法兰取压时,应符合下列规则:
a.上、下游侧取压孔的轴线,分别与孔板上、下游侧端面间的距离应等于25.4±0.8毫米。
b.取压孔的直径宜在6~12毫米之间,上下游侧取压孔的直径应相等。
c.取压孔的轴线,应与工艺管道轴线相垂直。
5、用均压环取压时,取压孔应在同一截面上均匀设置,且上、下游侧取压孔的数量必须相等。
6、测量蒸气量设置冷气器,两个冷凝器的安装标高必须一致。
(四)、物位取源部件
1、物位取源部件的安装位置,应选在物位变化灵敏,且不使检测元件受到物料冲击的地方。
2、补偿式平衡容器的安装,当固定平衡容器时,应有防止因工艺设备的热膨胀而被损坏的措施。
3、安装浮球液位报警器用的法兰与工艺设备之间连接管的长度,应保证浮球能在全量范围内自由活动。
(五)、分析取源部件
1、分析取源部件的安装位置,应选在压力稳定,灵敏反映真实成分,具有代表性的被分析介质的地方。
2、被分析的气体内含有固体或液体杂质时,取源部件的轴线与水平线之间的仰角应大于15度。
二、仪表盘(箱、操作台)的安装
1、仪器盘(箱、操作台)安装在有振动影响的地方时,应采取减振措施。
2、盘间及盘各构件间应连接紧密、牢固,安装用的紧固件应有防锈层。
3、盘面平整,内外表面漆层完好。
4、仪表盘的型钢底座应在二次抹面前安装找正。
5、单独的仪表盘(操作台)的安装应符合下列规定:
a.应垂直、平正、牢固。
b.垂直度允许偏差为每米1.5mm.
c.水平方向的倾斜度允许偏差为每米/mm。
6、成排的仪表盘(操作台)的安装,应符合下列规定:
a.相邻两盘顶部高度允许偏差为2mm。
b.相邻两盘接缝处盘正面的平面度允许偏差为/mm。
c.相邻两盘间接缝的间隙,不大于2mm。
d.当盘间的连接处超过两处时,其顶部高度最大允许偏差为5mm。
e.当盘间的连接超过5处时,盘正面的平面度最大允许偏差为5mm。
三、仪表设备的安装
1
温度仪表
①在多粉尘的工艺管道上安装的测温元件,应采取防止磨损的保护措施。
②热电偶或热电阻安装在易受被测介质强烈冲击的地方,以及当水平安装时其插入深度大于/米或被测温度大于700℃时,应采取防弯曲措施。
③表面温度计的示温面应与被测表面紧密接触,固定牢固。
④压力式温度计的温包必须全部侵入被测介质中,毛细管的敷设应有保护措施,其弯曲半径不应小于50mm,周围温度变化剧烈时应采取隔热措施。
2压力仪表
①测量低压的压力表或变送器的安装高度,宜与取压点的高度一致。
②就地安装的压力表不应固定在振动较大的工艺设备或管道上。
③测量高压的压力表安装在操作岗位附近时,宜距地面1.8米以上,或在仪表正面加保护罩。
3
流量仪表
①差压计或差压变送器正、负压室与测量管路的连接必须正确。
②转子流量计的安装应呈垂直状态,上游测直管段的长度不宜小于5倍工艺管道内径。
③靶式流量计靶的中心,应在工艺管道的轴线上。
④涡轮流量计的前置放大器与变送器间的距离不宜大于3米。
⑤电磁流量计的安装应符合下列规定:
a.流量计,被测介质及工艺管道三者之间应连接成等电位,并应接地。
b.在垂直的工艺管道边上安装时,被测介质的流向应自下而上,在水平和倾斜的工艺管道上安装时,两个测量电级不应在工艺管道的正上方和正下方位置。
c.周围有强磁场时,应采取防干扰措施。
4物位仪表
①用差压计或差压变送器测量液位时,仪表安装高度不应高于下部取压口。
②负荷传感器的安装应符合下列规定:
a.传感器的安装应呈垂直状态,各个传感器的受力应均匀。
b.当有冲击性负载时应有缓冲措施。
③浮简液面计的安装应使浮简呈垂直状态。其安装高度宜使仪表全量程的1/2处为正常液位。
5
分析仪表
①预处理装置应单独安装,宜靠近传送器。
②被分析样品的排放管应直接与排放总管连接,总管应引至室外安全场所,其集液处应有排液装置。
6调节阀、执行机械和电磁阀
①阀体上箭头的指向应与介质流动的方向一致。
②安装用螺纹连接的小口径调节阀时,必须装有可拆卸的活动连接件。
③执行机构应固定牢固,操作手轮应处在便于操作的位置。
④执行机构的机械传动应灵活,无松动显现。
⑤执行机构连接的长度应能调节,并应保证调节机构在全开到全关的范围内动作灵活、平稳。
⑥气动及液动执行机构的信号管应有足够的伸缩余度,不应妨碍执行执行机构的动作。


本篇文章来源于微信公众号: 化工加


辽公网安备 21011202000835号