
第一节储罐的管线布置
1.1管线布置的一般要求
1.1.1罐区管线的安装应满足相关的工艺流程及其它方面的要求。
1.1.2热力管线及介质温度较高的工艺管线,尽可能地布置在管廊的一侧或两侧以便合理地设置补偿器
1.3罐区管线的排列顺序要和罐区外管线进罐区的相关部分协同好,尽量避免管线交又。若出现交叉时,则应保证自流管线(如泵入口管线)全线顺坡敷设不出现突然隆起的管段,且保持最小净空50mm
1.1.4罐区管廊应有坡度,其坡度不应小于千分之二,使罐区出口处坡向泵入口管线(自流)的末端。罐前支管应有坡度、其坡度不应小于千分之五,其坡向应由罐前坡向管廊。
1.1.5冷冻液化石油气(L.P.G.)球罐,其管线之进ロ和出ロ支管( MANIFOLD),以及伴随的泵和冷冻设备不可置于围堤区内
1.1.6在管廊适当位置应设置人行过桥,以方便操作人员行走。过桥底面最低处与管线或管线保温层顶面的净距离不应小于100m
1.7罐区管线安装应采用地上管墩數设,便于施工、操作和维修改造
①管线穿越防火堤(DIKE)时应加管墩。大尺寸的管线其管墩间距为6000mm;小尺寸的管线其管墩间距为3000mm;如图所示。

②固定管墩尽量布置在储罐中心线附近;补偿器应该布置在两个罐中心线之间适中的位置
③罐区主管廊上布置管墩时,在罐中心线附近的管墩间距比规定的间距小些,以补偿支管线引起的集中载荷对管线跨距的影响
④确定罐前支管线的管墩(架)顸标高时,应考虑到储罐基础下沉的影响,一般应比按坡度计算値减少50-60mm;若罐基础地质条件较差,结构专业能预计出罐基础的下沉量时(包括罐建成后试压时一次性下沉量和使用后在一段时间内继续下沉到基础稳定时的下沉量),可按预计的下沉量减
⑤管墩顶高出罐区设计地面标高一般为300mm;尽量避免管架數设,若必需采用管架敷设时,管底标高高出罐区设计地面不应小于2200mm
1.1.8罐前支管应保持管中心标高相同。当进油管与出油管中心标高不同时,可分别对待;罐前支管段上若设有管墩或管架时,此处管线均应设管托,以调整管托的标高来保持管中心标高相同。
1.1.9罐前支管线与主管线的连接,一般情况应采用挠性或弹性连接
①地震裂度大于或等于7度、地质松软的情况下,管径大于或等于150mm时可设置储罐抗震用金属软管,金属软管应布置在靠近罐壁的第一道阀门和第二道阀门之间;其安装形式见图,(图中L表示金属软管长度;Smin表示水平安装最小位移)。

②金属软管的竖向补偿量Y值与地震裂度有关,可参照表所列数值。若同时考虑地质条件不良而引起的的下沉量,则竖向补偿量Y值应考虑为两者的综合值


③金属软管与管线的连接,应采用法兰连接,便于安装、调节和更换。
④金属软管的直径,不应小于储罐的进出油接合管的直径,一般可与储罐的进出油接合管的直径相等;金属软管承受压力应>1.0MPa
⑤)管线直径(金属软管直径)与金属软管长度(L)同竖向补偿量(Y)、安装距离(水平安装最小位移Smin)的对应数值,可参考表4.1.3所示或制造厂家提供

⑥《石油化工企业非埋地管线抗震设计通则》(SHJ39-91)的第2.0.12条规定:若情况如表4.1.4所规定的条件,管线应进行抗震验算,抗震验算可按第三章的规定进行

注:a)工艺管线分级根据现行的《石油化工剧毒、易燃、可燃介质管线施工及验收规范》(SHJ501-85);
b)热力管线分级根据现行的《エ业管线工程施工及验收规范》(GBJ235-82)
1.1.10轻质油品及其性质相近的液体管线,未设隔热层的情况下,由于日照会使管线及管内液体温度升高,从而引起压力升高,若此时管线两端阀门切断,则压力高到一定值,会造成管线及配件的破裂、出现事故。所以该类管线应设置有效的泄压设施,防止出事故
1.1.11储罐的管线尽量集中配置,且不影响操作及检修
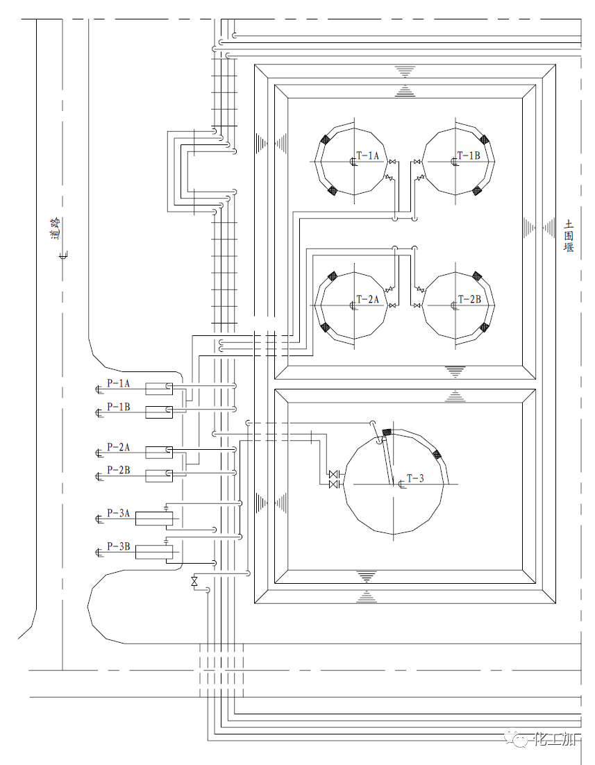
1.1.12如图4.1.4所示为罐区管线的平面布置

1.2管线配置的具体要求
1罐前支管的间距应适当放大,以保证阀门最突出部分之间净距不小于150mm,不影响阀门操作要求
1.2.2当油品进罐温度>120℃时,必须从罐顶部进入罐内,且进料管线应廷仲至距灌底200m处;若从罐下部进入罐内,罐底部一旦有水,高温油会使水气化,体积突然膨造成突沸冒罐事故。
1.2.3油罐进出口管线靠近罐壁的第一道阀门,必须安装钢阀门。当进出油管线出事故或更换其他阀门垫片时,可关闭此阀。罐内油品不会漏出。且当储罐的进油管或出油管不少于两根时,要在罐根总管上设一个总的手动钢阀门(亦是靠近罐壁的第一道阀门),以便在发生事故的情况下,操作人员能及时关闭该阀门,避免事故进一步恶化。同时,该阀门还可为管线的灵活使用提供了方便
1.2.4储存液化石油气的球罐或卧罐,放水管上应设置有防冻和防漏措施的密闭切水设施,以保证从罐内放出的水不带液化石油气,避免火灾危险事故的发生
1.2.5浮顶罐的中央排水管出口上应安装一个手动间阀。
1.2.6在历年一月份平均温度的平均值不高于-15℃的地区,原油和重质油品储罐前阀门集中的地方,可设阀室,以保证阀门前后管内的介质不会冷凝,操作人员能迅速地开关阀门
1.2.7所有控制阀门应布置在防火堤(DIKE)以外,在防火堤外进料管线上应安装切断阀,以便在发生事故时,操作人员能及时关闭该阀门
1.2.8泵吸入口与储罐出口间的配管应尽量缩短,且没有袋型( POCKET),若无法避免袋型( POCKET)时,可如图所示;但泵入口配管中心线不得高于储罐管口中心标高。

1.2.9泵尽可能安置在一起,放在防火堤(DIKE)的外边,同时应留有足够的空间,以供维修之用,且不妨碍交通
1.2.10罐区管线的走向应使管线总长较短。与泵相关的管线,其进、出罐区处应该靠近泵房,以便减少泵入口管线的长度,给泵创造良好的吸入条件
1.2.11压力储罐的安装要求
①罐顶要加泄压阀或真空切断阀。
②压力储罐的气体放空管接合管应安装在罐体的顶端,安全阀应安装在放空管接合管上,并应垂直安装。安全阀与罐体之间应安装一个钢闸阀,正常运行时,该阀必须保持全开并加铅封。放空管接合管和铅封常开闸阀的直径不应小于经计算选定的安全阀入口直径
③当放空管管径大于安全阀入口直径时,大小头应靠近安全阀入口处安装安全阀要尽量靠近罐体,并应设旁通线,旁通线直径不应小于安全阀入口直径,以便安全阀检修时可暫时手动放空
④液化石油气类的储罐的安全阀出口管,可在罐区内连接成一根直接引至火炬系统。一般不就地放空。如确有困难(无火炬或距火炬很远),可就地放空,但其排气管口应高出相邻最高储罐罐顶平台3M以上
⑤压力储罐的设计压力相同,包括氮气密封的储罐、其储存介质性质相近时,储罐之间宜设气相平衡管线,以减少油气损耗和气耗量。平衡管线的直径不宜大于储罐的气体放空管直径,宜不应小于40m
1.3球罐配管
1.3.1液化石油气(L.P.G.)球罐的配管尽可能减少使用法兰的数目和避免螺栓方式( THREADED JOINT);尽可能以焊接( WELDED J(0INTD)方式设计
1.3.2对液化石油气(L.P.G.)球罐的地面配管,不可越过其他球罐的围堤区内
1.3.3除了安全阀的连接件,对球罐所有的连接件应有关断阀( SHUTOFF VALVE),并且尽可能靠近管嘴而配置
1.3.4由于球罐的下陷,考虑管线的挠性,对于第一个支撑距球罐要有足够的偏离长度,或做可调支架,可和应力分析人员一起讨论
1.3.5考虑管线的收缩( CONTRACTIO0N)和膨胀( EXPANI SON的存在,应适当的设置n性膨胀节。
1.3.6在正常操作时使用的操作阀,应离球罐正下方一段距离,并且尽可能在接近泵、压缩机和人员易于操作、维护之处设置
1.3.7两关断阀( SHUTOFF VALVA)之间管段,可装设泄压阀( RELIEF VALVE),以防止其中液体的热膨胀
1.3.8球罐本身的放净阀应距离球罐正下方一段距离适当的位置设置
1.3.9所有液化石油气(L.P.G.)球罐在其顶部应设有安全阀,配管细节请参考有关章节
1.3.10配至球罐顶部的配管,应尽可能沿着球罐本身的支撑垂直配置,以便管线支撑
1.1.11冷冻液化石油气(L.P.G.)球罐,其管线之进口和出口支管( MANIFOLD),以及伴随的泵和冷冻设备不可置于围堤区内
1.1.12图4.1.6为液化石油气(L.P.G.)球罐的配管示例。

1.4吹扫要求
1.4.1进出罐区的工艺管线(除液态烃储罐)均应有被吹扫干净的措施。每根管线都应由罐区外向罐区吹扫,且管内介质应被吹扫至该管线末端所连接的一个或两个罐内。
1.4.2扫线介质为水时,可通过罐壁处的进出油管将管内介质扫入罐内;当扫线介质为气体时,管内介质应从罐顶扫入罐内
1.4.3罐顶担线接合管管径,可参照表4.1.1规定的数值选用,亦可根据其他有关规定或规范确定

1.4.4储罐需要蒸汽清扫时,应该设置公称直径为20m的蒸汽接头,蒸汽接头距罐的排污口(或清扫口、人孔)不宜大于20M,以便操作人员能将蒸汽胶管插入罐内并可清担罐内任何部位。



辽公网安备 21011202000835号